銀河電氣可以用于互感器測量的功率表有DT數字變送器、DMC分布式測控系統電量測量子站、DP800數字功率計、AP系列變頻功率標準表,各種功率表測量互感器接線方式類似,其三相功率表測量互感器接線方式為通用的三相功率接線方法,使用簡單方便。
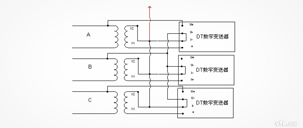
以下為DT數字變送器兩表法測量原理圖,Uab、Ubc利用電壓互感器直接測量,Uca根據矢量運算得到,Ia、Ib、Ic均利用電流互感器直接測量,DT數字變送器測量互感器的副邊電壓和電流,經過WP4000變頻功率分析儀的數據處理和運算得到三相功率,DT數字變送器與WP4000變頻功率分析儀采用光纖通訊。


上圖為一個型號為DT211的DT數字變送器,DT數字變送器內部電路處理已經將Iin-、Uin-與殼體設計為等電位,所以在使用功率表測量互感器接線時,需要注意互感器的保護接地情況。
1:在電壓直測、電流全使用互感器的情況下,由于互感器本身是電氣隔離的,互感器接地不會對系統造成影響;
2:在電壓直測、電流使用互感器的情況下,一旦電流互感器保護接地,就相當于相電壓直接接地,導致短路發生故障。下圖可以很明顯看出,一旦電流互感器接地,A、B、C三相電壓直接接入地線;

電壓直測電流用互感器測量原理圖
3:在電壓使用互感器、電流直測的情況下,一旦電壓互感器接地,相當于將電流直接接入大地,同樣會造成故障。
互感器接地的目的是為了保護二次側的安全,互感器出現特殊故障的主要現象有兩個:
1:互感器本身的絕緣出現問題,導致一次側電壓進入二次側發生安全事故;
銀河電氣功率表測量互感器接線對這兩種故障的應對:
1:如果互感器本身的絕緣出現問題,相當于一次側電壓直接進入DT數字變送器,因為電壓測量本身就是DT數字變送器直接測量,所以不會出現安全問題;
2:DT數字變送器本身的隔離電壓為2Un+1000V,萬一電流互感器二次側開路瞬時的大電壓也不會對其他部件造成影響;
3:DT數字變送器的采用的是光釬傳輸,采取了光電隔離,任何安全問題不會進入其他部件,最多也只會對DT數字變送器造成影響;
上一篇:變頻電量測量儀器發展現狀
下一篇:功率表接線